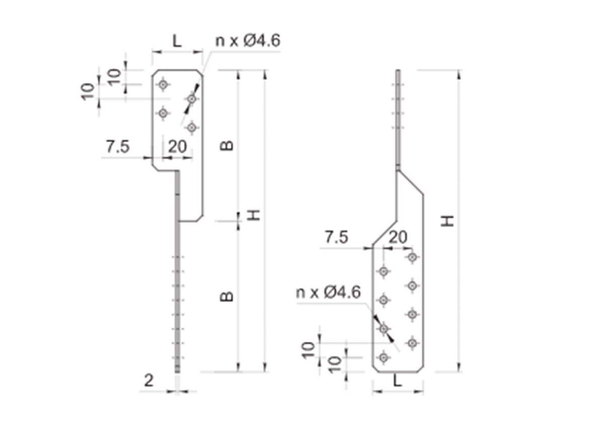
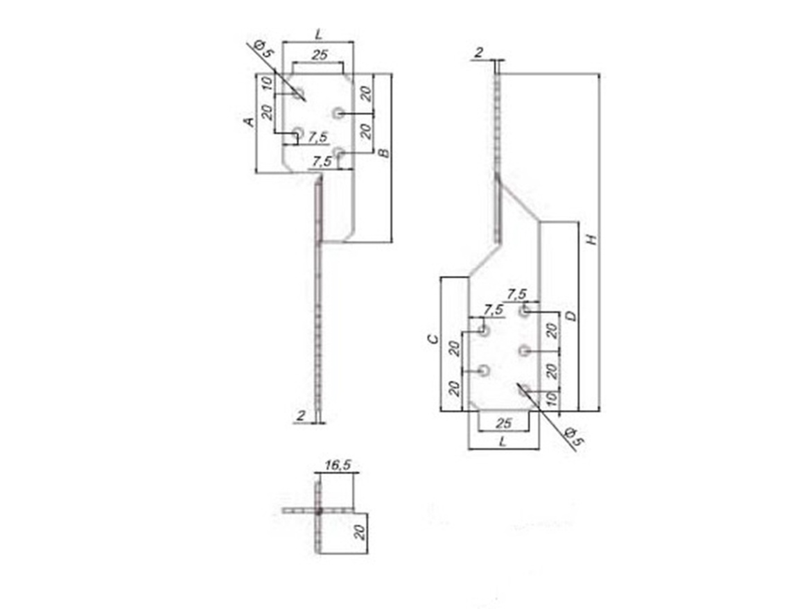
Upevňovací prvek dřevěných konstrukcí z elektrolyticky pozinkovaného ocelového plechu o síle 2 mm. Univerzální tvar umožňuje upevnění na obou stranách krokví k vaznicím ve střešních konstrukcích, přístřešků, altánů a pergol.
Zobrazit celý popisVlastnosti | |
| Materiál | ocel, zinek |
| Šířka | 35 mm |
| Výška | 170 – 250 mm |
| Tloušťka | 2,0 mm |
| Síla vrstvy zinku | 8 µm |
| Určení | dřevěné konstrukce |
Parametry | |
| Původ | Vyrobeno v PL |
| Záruka | 2 roky |
| Značka | Koelner |
Univerzální krokvová spojka je vyrobena z ocelového plechu s elektrogalvanizovaným povlakem zinku pro zvýšení odolnosti proti korozi. Síla vrstvy zinku je minimálně 8 µm. Je primárně určená pro použití na spojování dřevěných překladů střešních konstrukcí nebo vazníků, na dřevěné krovy nebo trámy.
| VybránoD-SP | Vybráno170 | Vybráno210 | Vybráno250 | |
|---|---|---|---|---|
| Šířka | 35 mm | 35 mm | 35 mm | |
| Výška | 170 mm | 210 mm | 250 mm | |
| Tloušťka | 2,0 mm | 2,0 mm | 2,0 mm | |
| Rozměr | [A] | 50 mm | 70 mm | 90 mm |
| Rozměr | [B] | 85 mm | 110 mm | 130 mm |
| Rozměr | [C] | 62,6 mm | 82,6 mm | 102,6 mm |
| Rozměr | [D] | 95,3 mm | 115,3 mm | 135,3 mm |
| Počet otvorů ø 4,6 | 4 + 6 | 6 + 6 | 8 + 10 | |
| Charakteristická nostnost | 6,0 (19,3) kN | 6,0 (19,3) kN | 6,0 (19,3) kN |



Hledáte příslušenství k produktům ve vašem košíku?
Je vám k dispozici v této nabídce.
Ne, nejprve si vytvořte objednávku přes e-shop, jen tak zajistíme dostupnost materiálu při osobním vyzvednutí.
Samozřejmě a rádi :)
Neztrácejme spojení – můžeme si zavolat a probrat dopravu, platbu nebo třeba konkurenční nabídku. Určitě to spolu vymyslíme.
Založte si Buildex účet, my Vám dáme 100 Kč na první objednávku a aktivujeme další výhody.
My, společnost Buildex Group s.r.o., IČO 5362431 používáme soubory cookies k zajištění funkčnosti webu a s Vaším souhlasem i mj. k personalizaci obsahu našich webových stránek. Kliknutím na tlačítko „Rozumím“ souhlasíte s využívaním cookies a předáním údajů o chování na webu pro zobrazení cílené reklamy na sociálních sítích a reklamních sítích na dalších webech.
Číst dále Méně
Maximálně pohodlné prohlížení na míru. To díky sušenkám dokážeme zařídit. Košík si bude pamatovat váš nákup, bez odhlášení vám nehrozí otravné zadávání údajů a zobrazovat se vám bude jen relevantní obsah. O co se s námi podělíte je zcela ve Vaší režii, vše bude ale v maximálním bezpečí.
Nezbytná data pro správné fungování stránky, která musí být vždy povolena.
Pomáhají nám pochopit, co by vás mohlo zajímat, na čem naše stránky prohlížíte, co nám na webu nefunguje a podobně.
Umožňují zobrazovat vám vhodný obsah na základě produktů, článků a stránek, které jste u nás navštívili.
Díky nim uvidíte na reklamních místech u nás a na jiných sítích to, co by vás mohlo zajímat a nikoliv nemístné, náhodné kampaně.
Foto - Univerzální krokvová spojka Koelner D-SP
Foto - Univerzální krokvová spojka Koelner D-SP
Foto - Univerzální krokvová spojka Koelner D-SP
Diskuze
Položit otázkuSkrýt