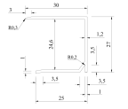
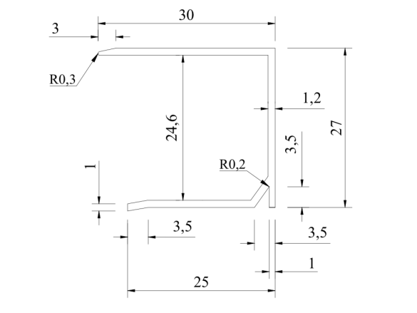
Hliníková ukončovacia lišta s eloxovaným povrchom. Vybavená zobáčikom pre lepší odvod vody. Určená na uzavretie a zakončenie dutinkových dosiek s hrúbkou 25 mm.
Zobraziť celý popisVlastnosti | |
| Materiál | hliník |
| Povrchová úprava | eloxovanie |
| Dĺžka | 6400 mm |
| Použitie | pre hornú hranu |
| Farba | strieborná |
| UV ochrana | áno |
Perametre | |
| Pôvod | Vyrobené v DE |
| Záruka | 2 roky |
| Značka | Covestro |
Hliníková ukončovacia lišta U s eloxovaným povrchom. Určená na uzavretie a zakončenie dutinkových dosiek s hrúbkou 25 mm. Lišta je vybavená zobáčikom, ktorý zlepšuje odvod vody zo systému. Dôležitý montážny doplnok, ktorý zamedzuje vniknutiu nečistôt, alebo dažďovej vody do otvorených koncov komôrok.
Sedmistěnná deska s vysokou světelnou propustností, výbornou tepelnou izolaci a vynikající odolnost vůči povětrnostním vlivům.
Sedmistěnná deska s IQ technologií zaručuje nižší světelnou propustnost a nižší prostup tepelné energie, než základní varianty.


Hľadáte príslušenstvo k tovaru vo vašom košíku?
Je vám k dispozícii v tejto ponuke.
Nie, najprv si vytvorte objednávku cez e-shop, len tak zaistíme dostupnosť materiálu pri osobnom vyzdvihnutí.
Samozrejme a radi :)
Založte si Buildex účet, my vám dáme 4 € na prvú objednávku a aktivujeme ďalšie výhody.
My, spoločnosť Buildex Group s.r.o, IČO 5362431, používame súbory cookies na zaistenie funkčnosti webu a s vaším súhlasom o. i. aj na personalizáciu obsahu našich webových stránok. Kliknutím na tlačidlo „Rozumiem“ súhlasíte s využívaním cookies a predaním údajov o správaní na webe na zobrazenie cielenej reklamy na sociálnych sieťach a reklamných sieťach na ďalších weboch.
Čítať ďalej Menej
Maximálne pohodlné prezeranie na mieru. To vďaka sušienkam dokážeme zariadiť. Košík si bude pamätať váš nákup, bez odhlásenia vám nehrozí otravné zadávanie údajov a zobrazovať sa vám bude iba relevantný obsah. O čo sa s nami podelíte je úplne vo Vašej réžii, všetko bude ale v maximálnom bezpečí.
Nevyhnutné dáta pre správne fungovanie stránky, ktoré musia byť vždy povolené.
Pomáhajú nám pochopiť, čo by vás mohlo zaujímať, na čom naše stránky prezeráte, čo nám na webe nefunguje a podobne.
Umožňujú zobrazovať vám vhodný obsah na základe produktov, článkov a stránok, ktoré ste u nás navštívili.
Vďaka nim uvidíte na reklamných miestach u nás a na iných sieťach to, čo by vás mohlo zaujímať a nie nemiestne, náhodné kampane.
Foto - Ukončovacia lišta Covestro ALU-U elox-z 25 mm
Foto - Ukončovacia lišta Covestro ALU-U elox-z 25 mm
Diskusia
Pridať otázkuSkryť